三極管驅動mos管,三極管與MOS管驅動介紹
三極管驅動MOS管電路解析
三極管驅動MOS管電路解析
在電子電路設計領域,三極管用于驅動MOS管的方案具有一定的可行性和應用價值。
MOS場效應管作為典型的電壓驅動器件,其充分導通的條件是柵極驅動電壓需達到足夠大的幅度。然而,在實際應用中,一些低壓IC電路,例如采用3.3V供電的單片機電路,其輸出電壓幅度相對較小,若直接用于驅動MOS場效應管,往往無法滿足管子完全導通的要求。
針對這一情況,常見的解決方案是在電路中增加一級雙極型三極管驅動電路,以此來實現對MOS場效應管的有效驅動。具體電路設計如下:


電路中的VT1為NPN型三極管,其基極輸入信號幅度僅為5V。而MOS場效應管VT2具有較高的開啟電壓,通常要求其柵極驅動電壓≥10V才能充分導通。為了實現這一目標,電路引入了三極管驅動環節。當VT1基極處于5V高電平時,VT1導通,此時VT2截止;而當VT1基極處于低電平0V時,VT1截止,其集電極的10V電壓(Rc上的壓降可忽略不計)便直接施加到VT2的G極(柵極),從而使得VT2獲得充足的柵極電壓實現導通。
在采用三極管驅動MOS場效應管的電路設計中,需重點關注MOS場效應管柵極所連接的電阻(即電路圖中的Rc)的取值,合理選擇該電阻的阻值對于電路的穩定運行和性能表現至關重要。
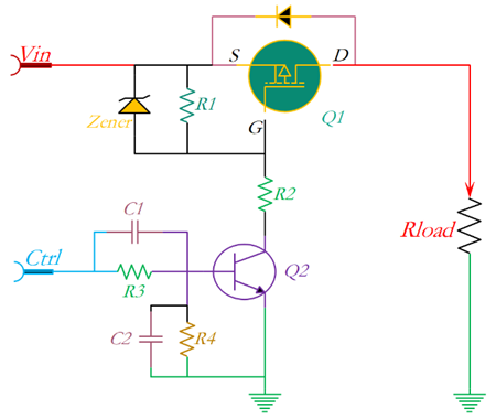
在眾多應用場景中,由于MOS管的驅動閾值限制,直接使用MCU或SOC的GPIO電平往往難以驅動MOS管的導通與關斷。此時,在MOS的G極增設柵極驅動電路成為了一種有效的解決手段,能夠使GPIO電平具備驅動MOS的能力。
以PMOS為例,當PMOS的G極與S極相連時,VGS=0V,PMOS會自開啟。若在PMOS的G極與GND之間引入一個SW開關,便可以通過控制SW的通斷來實現G極電位在GND和Vin之間的切換,進而控制PMOS的開啟與關閉。


進一步地,將圖1中的SW開關替換為三極管BJT,如圖2所示,便構成了一個典型的BJT驅動高邊PMOS的電路。電路中的C1、C2和Zener元件并非必需。其中,C1的作用是加速BJT的開啟過程,C2則有助于BJT的快速關斷,而Zener的功能是進行VGS鉗位,防止瞬時電壓超出MOS的VGSmax耐壓范圍,從而避免損壞MOS。


電路中的R1和R2處于同一條路徑上,可通過調節它們的阻值比例來改變分壓,進而調整G極電位。當Q2處于關斷狀態時,VG=VS,VGS=VG-VS=0V;而當Q1導通時,VG=Vin×{R2/(R1+R2)},VS=Vin,此時VGS=Vin×{R2/(R1+R2)}-Vin。若R1阻值較大,R2阻值較小,則VGS≈Vin。需要注意的是,若此時VGS接近或超過Q1的GS耐壓值VGSS,可能會導致PMOS損壞。因此,通過合理調整R1和R2的比例關系,可以將導通時的VGS值控制在-VGSS<VGS<VGSTHmin的安全范圍內。
〈烜芯微/XXW〉專業制造二極管,三極管,MOS管,橋堆等,20年,工廠直銷省20%,上萬家電路電器生產企業選用,專業的工程師幫您穩定好每一批產品,如果您有遇到什么需要幫助解決的,可以直接聯系下方的聯系號碼或加QQ/微信,由我們的銷售經理給您精準的報價以及產品介紹
〈烜芯微/XXW〉專業制造二極管,三極管,MOS管,橋堆等,20年,工廠直銷省20%,上萬家電路電器生產企業選用,專業的工程師幫您穩定好每一批產品,如果您有遇到什么需要幫助解決的,可以直接聯系下方的聯系號碼或加QQ/微信,由我們的銷售經理給您精準的報價以及產品介紹
聯系號碼:18923864027(同微信)
QQ:709211280

