200N06場效應管參數,200N06規格書,200N06引腳圖,200N06中文資料pdf代替

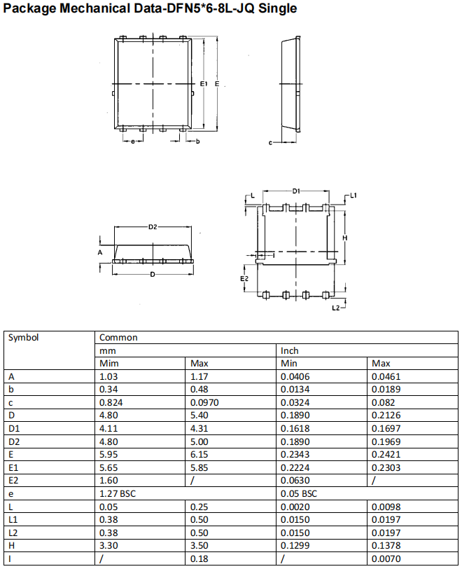
200N06 PDFN5*6-8L封裝參數:點擊查看

200N06場效應管參數具體如下:
封裝類型:PDFN5*6-8L
極性:NPN
極性:NPN
漏極電流:200A
柵極源極擊穿電壓:±20V
擊穿電壓:60V
存儲溫度:-55℃~+150℃
引腳數:8Pin
導通電阻ID=14A,VGS=10V:Typ 1.05mΩ Max 1.4mΩ
導通電阻ID=7A,VGS=4.5V:Typ 1.4mΩ Max 1.95mΩ
工作溫度:-55℃~+150℃
安裝類型:SMT
二、作用與應用
200N06場效應管的核心作用是作為電子開關使用。在電路中,它通過控制柵極電壓來調節漏源路徑上的電流流動,實現對負載的精確控制。由于其出色的電氣性能,200N06廣泛應用于以下領域:
電源管理:200N06可用作低壓降開關,用于電源管理電路中的電池充放電控制、DC-DC變換器等。
信號放大:在音頻放大器和低頻放大器中,200N06可以作為信號放大的關鍵部件。
開關控制:在各種開關電路中,如LED燈控制、電機控制等,200N06能提供高效的開關控制功能。
模擬開關:在模擬電路中,200N06可以作為開關管,用于模擬信號的控制和處理。
充電管理:在移動設備和電動車等充電管理系統中,200N06用于充電過程中的電池保護和充電控制。
三、PDFN5*6-8L封裝特點
200N06采用PDFN5*6-8L封裝,這是一種表面貼裝技術(SMT)封裝,具有以下特點:
1.低電感、低電阻:由于去除了傳統引腳結構,DFN封裝具有更低的電感和電阻,有助于提高信號傳輸的效率和速度。
2.良好的電氣性能:DFN封裝在高頻和高速應用中表現出色,有利于提升器件的電氣性能和信號完整性。
3.優異的機械強度:基于其結構設計,DFN封裝能夠提供較高的機械強度和抗沖擊性。
4.緊湊的設計:DFN封裝占用更小的PCB面積,考慮到成本、體積各方面的因素,DFN封裝將會是未來幾年的一個增長點,發展前景較為樂觀。
200N06場效應管PDFN5×6-8L封裝尺寸:

200N06場效應管PDFN5×6-8L封裝尺寸:

〈烜芯微/XXW〉專業制造二極管,三極管,MOS管,橋堆等,20年,工廠直銷省20%,上萬家電路電器生產企業選用,專業的工程師幫您穩定好每一批產品,如果您有遇到什么需要幫助解決的,可以直接聯系下方的聯系號碼或加QQ/微信,由我們的銷售經理給您精準的報價以及產品介紹
聯系號碼:18923864027(同微信)
QQ:709211280


