在電路設計中,肯定離不開對于基礎電路的掌握,而在基礎電路中,差分放大電路是非常重要的一個電路。
差分放大電路是模擬集成運放電路常常會采用的輸入級電路形式,它由兩個對稱的基本放大電路組成(輸入電壓是相反的),輸出極也就是發射級公共電阻耦合構成。


差分放大電路特點:
電路兩邊對稱:電路兩邊不管是元素組成還是電流電壓大小都是相同的,只不過方向不同。
共用發射級電阻:發射極的電流會進行疊加,也就是單個放大電流的兩倍
具有兩個信號輸入端:這個和共模電路一樣,兩個輸入信號端
信號既可以雙端輸出,也可以單端輸出:它共有四種類型,分別是單端輸入,單端輸出;單端輸入,雙端輸出;雙端輸入,單端輸出;雙端輸入,雙端輸出。
差分放大作用
要理解差分放大電路的作用,就需要先明白它的使用場景。
在電路工作過程中,周圍環境包括溫度什么的不會是一成不變的,所以當一些因素發生變換的時候,元器件的特性就會發生變化引起零漂以及靜態工作點的變化。
所以在直接耦合放大電路中,因可能產生的運行環境變化,誤差漂移電壓和有用的信號會一起被放大傳送到放大電路的下一級。而差分放大電路就可以很好的避免這種事情發生,有效抑制零漂。
通??朔囟攘闫姆椒ㄊ且胫绷髫摲答仯蛘邷囟妊a充。


在具體工作時,差分放大電路可以很好的抑制零漂移,比如說單端輸出的差分放大電路,在輸出時,因為射極電阻是共用的,所以兩個方向上的射極影響是相同的,也就不會導致產生的影響不同(對于射極電阻R),此時流過射極電阻R的電流為2i,所以可以穩定靜態工作點。
對于雙端輸出的差分放大電路,因為兩端壓降是相等的,比如說溫度增加T,兩個管子的集電極電流也會相應改變,但是改變的差值兩者是一樣的,所以最終兩個集電極的電壓也是相同的。就有效的抑制了零漂現象(靜態工作點從原位置離開)。
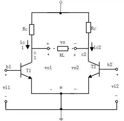
雙端輸入雙端輸出差分放大電路圖(下圖)


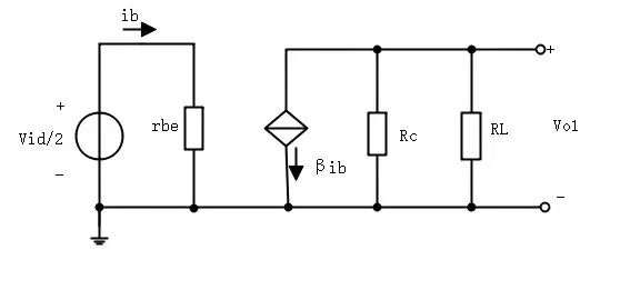
半邊等效電路圖(下圖)


所以當有額外的共模信號輸入時,差分放大電路可以有效的抑制它的干擾,抑制共模信號。
〈烜芯微/XXW〉專業制造二極管,三極管,MOS管,橋堆等,20年,工廠直銷省20%,上萬家電路電器生產企業選用,專業的工程師幫您穩定好每一批產品,如果您有遇到什么需要幫助解決的,可以直接聯系下方的聯系號碼或加QQ/微信,由我們的銷售經理給您精準的報價以及產品介紹
聯系號碼:18923864027(同微信)
QQ:709211280

