OCL電路稱為無輸出電容直接耦合的功放電路。


工作原理:
當輸入信號為正半周期時,V1導通,V2截止,電流方向為+vcc,V1的集電極,V1的發射極,負載,地。
當輸入信號為負半周期時,V1截止,V2導通,電流方向為地,負載,V2的發射極,V2的集電極。
OCL全對稱功率放大器要求中點電壓接近0V,當制作功放調試時中點電壓不為OV時,就需要調整,由于OCL功放是全對稱電路,所以電路中元器件參數也要求完全對稱,如果元器件參數不對稱,功放輸出中點電壓會超過規定幅度,例如大于200mV,此時就需要對功放中點電壓進行調整,調整時主要更換輸入差分電路三極管,輸入差分電路某一只三極管和別的三極管參數差別較大,會引起功放輸出的中點直流電壓較大,此時需要逐個更換差分三極管,每更換一只差分電路三極管就測試一下中點電壓,當中點電壓比較小時,就不需更換了,另外需對整個電路的對稱性檢查,差分以后電路參數不對稱也需更換,制作功放時,電阻最好選擇金屬膜電阻,要求精度在5%以內,最好為精度1%,差分電路三極管選擇差分電路專用三極管而不是普通三極管。
靜態分析
靜態時,ui?=?0V?,?T1、T2均不工作??uo?=?0V,Uce1=+Vcc,Uce2=-Vcc


動態分析
Ui>0,T1導通,T2截止,電流為Ic1,負載得到上正下負的電壓。
Ui<0,T2導通,T1截止,電流為Ic2,負載得到上負下正的電壓。




優點:電路省掉大電容,改善了低頻響應,有利于實現集成化。
缺點:三極管發射管直接連接到負載電阻上,若靜態工作點失調或電路里面元器件損壞。實際使用的電路中常常在負載回路轉入熔斷絲作為保護措施。
為了解決正向傳輸小于負向傳輸的問題,可以采取兩種方式:加入自舉電路和加入有源負載搭建電路。
ocl功放電路圖一
如圖所示是一款采用全互補對稱電路驅動方式的OCL功放,分離元件結構,電路的第一級采用互補對稱差分電路,每管的靜態工作電流約1mA,選用優質低噪聲互補管2SC1815、2SA1015作互補差分對管,有較低的噪聲和較高的動態范圍。
第二級電壓放大采用互補推挽電路,采用高互補對管A180、C180,工作電流約5mA,兩管集電極串接的二極管和電阻為緩沖級提供約1.6V的偏置電壓。
兩只互補中功率對管TIP41C、TIP42C構成射隨器緩沖驅動級,增設射隨器緩沖驅動級是現代OCL電路的主要特點之一,它主電壓放大級具有較高的負載阻抗,有穩定而較高的增益。
同時它又為輸出級提供較低的輸出內阻,可加快對輸出管結電容Cbe的充電速度改善電路的瞬態特性和頻率特性。


該級的工作電流也取得較大,一般為(10-20)mA,個別機型甚至高達100mA,與輸出級的靜態電流差不多,可使輸出級得到充分驅動。
其發射極電阻采用了懸浮接法(不接中點),可迫使該級處于完全的甲類工作狀態,同時又為輸出級提供了偏置電壓。
輸出級為傳統的互補OCL電路,采用了FT高達60MHz的三肯大功率互補對管C2922、A1216,靜態電流約為100mA。輸出端與輸入級反相輸入端接有環路負反饋網絡,并將電路增益設定為31倍。


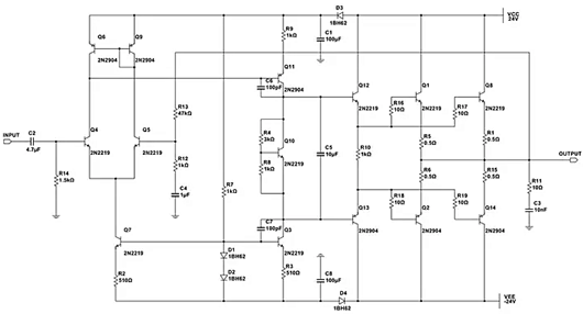
經典OCL差分功放電路圖二
〈烜芯微/XXW〉專業制造二極管,三極管,MOS管,橋堆等,20年,工廠直銷省20%,上萬家電路電器生產企業選用,專業的工程師幫您穩定好每一批產品,如果您有遇到什么需要幫助解決的,可以直接聯系下方的聯系號碼或加QQ/微信,由我們的銷售經理給您精準的報價以及產品介紹
聯系號碼:18923864027(同微信)
QQ:709211280

