7133穩壓管參數
最大輸出電流:50mA
輸入電壓:VI = 30V
輸出電壓:VO = 3.3V
連續總耗散功率:PD = 500mW
靜態電流:Iss(無負載)= Max = 3uA
負載調整率:Vout(VIN = VOUT + 2.0V,1mA ≤ IOUT ≤ 50mA)= 典型值 25mV,最大值 60mV
低壓差:VDIF(IOUT = 1mA,VOUT = 2%)= 典型值 25mV,最大值 55mV
工作結溫范圍:TOPR = -40 to +85℃
儲存溫度范圍:TSTG = -50 to +125℃
高輸出電壓精度:精度 ±2%
低功耗電流:典型值 2uA
高輸入耐壓:最大 24V
機器模式ESD:6KV
極限耐壓:26V(輸出電流:10mA)
過流保護:100mA
工作溫度:-40攝氏度~+125攝氏度
輸出短路電流保護:100mA
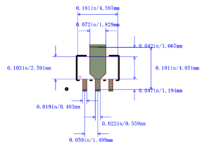
7133穩壓管引腳圖


〈烜芯微/XXW〉專業制造二極管,三極管,MOS管,橋堆等,20年,工廠直銷省20%,上萬家電路電器生產企業選用,專業的工程師幫您穩定好每一批產品,如果您有遇到什么需要幫助解決的,可以直接聯系下方的聯系號碼或加QQ/微信,由我們的銷售經理給您精準的報價以及產品介紹


〈烜芯微/XXW〉專業制造二極管,三極管,MOS管,橋堆等,20年,工廠直銷省20%,上萬家電路電器生產企業選用,專業的工程師幫您穩定好每一批產品,如果您有遇到什么需要幫助解決的,可以直接聯系下方的聯系號碼或加QQ/微信,由我們的銷售經理給您精準的報價以及產品介紹
聯系號碼:18923864027(同微信)
QQ:709211280

