MUR1640,MUR1640快恢復二極管,MUR1640二極管參數
MUR1640快恢復二極管16A 400V,MUR1640參數,MUR1640作用,MUR1640代換,MUR1640二極管引腳參數規格書

MUR1640快恢復二極管16A 400V,MUR1640參數,MUR1640作用,MUR1640代換,MUR1640二極管引腳參數規格書

MUR1640快恢復二極管TO220-2L封裝規格書:點擊下載

Maximum DC blocking voltage VDC 最大直流閉鎖電壓:400V
Maximum average forward rectified current I(AV) 最大正向平均整流電流:16A
Maximum instantaneous forward voltage at 16A VF 16A時的最大瞬時正向電壓:1.3V
Maximum DC reverse current at rated DC blocking voltage TA=25℃ IR 額定直流阻斷電壓下的最大直流反向電流:10uA
Maximum DC reverse current at rated DC blocking voltage TA=125℃ IR 額定直流阻斷電壓下的最大直流反向電流:500uA
Operating junction and storage temperature range TJ,TSTG 工作溫度和存儲溫度范圍:-55to +175℃
Maximum reverse recovery time 恢復時間:35ns
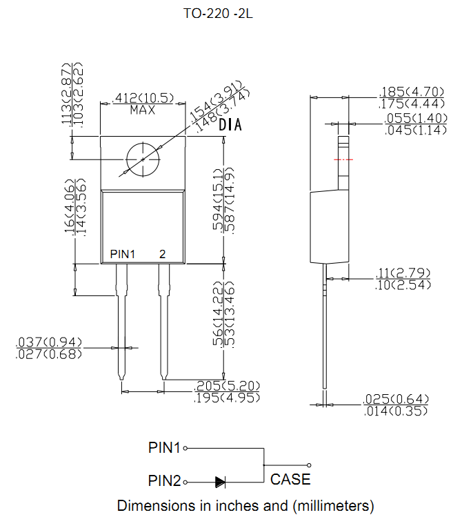
MUR1640快恢復二極管,TO-220-2L封裝尺寸:

〈烜芯微/XXW〉專業制造二極管,三極管,MOS管,橋堆等,20年,工廠直銷省20%,上萬家電路電器生產企業選用,專業的工程師幫您穩定好每一批產品,如果您有遇到什么需要幫助解決的,可以直接聯系下方的聯系號碼或加QQ/微信,由我們的銷售經理給您精準的報價以及產品介紹
?
聯系號碼:18923864027(同微信)
QQ:709211280


