霍爾傳感器是全球排名第三的傳感器產品,在日常生活中,每天在與其打交道;例如,在電腦鍵盤上,實現光標移動的滾動鍵就是由霍爾傳感器組成的;或者,在汽車變速箱、電動門窗等需要電機的部件中也有霍爾傳感器應用。由于霍爾傳感器是根據霍爾效應制成的,那么下面先從霍爾效應介紹:
1.霍爾效應

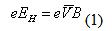
圖1 霍爾效應
霍爾效應從本質上講是運動的帶電粒子在磁場中受洛侖茲力作用引起的偏轉。當帶電粒子(電子或空穴)被約束在固體材料中,這種偏轉就導致在垂直電流和磁場的方向上產生正負電荷的聚積,從而形成附國的橫向電場。對于圖1所示的半導體試樣,若在X方向通以電流IS,在Z方向加磁場B,則在Y方向即試樣A,A′電極兩側就開始聚積異號電荷而產生相應的附加電場。電場的指向取決定于試樣的電類型。顯然,該電場是阻止載流子繼續向側面偏移,當載流子所受的橫向電場力eEH與洛侖茲力1相等時,樣品兩側電荷的積累就達到平衡,故有

其中EH為霍爾電場,V是載流子在電流方向上的平均漂移速度。設試樣的寬為b,厚度為d,載流子濃度為n,則:

由(1)、(2)兩式可得:

即霍爾電壓VH(A、A′電極之間的電壓)與ISB乘積正比與試樣厚度d成反比。比例系數2稱為霍爾系數,它是反映材料霍爾效應強弱的重要參數,只要測出 VH(伏)以及知道IS以及知道IS(安)、B(高斯)和d(厘 米)可按下式計算RH(厘米3/庫侖)。

2.霍爾原理
由霍爾效應的原理知,霍爾電勢的大小取決于: UH=Rh×IC×B/d
Rh為霍爾常數,它與半導體材質有關;IC為霍爾元件的偏置電流;B為磁場強度;d為半導體材料的厚度。
對于一個給定的霍爾器件,當偏置電流Ic固定時,Vh將完全取決于被測的磁場強度B。一個霍爾元件一般有四個引出端子,其中兩根是霍爾元件的偏置電流IC的輸入端,另兩根是霍爾電壓的輸出端。如果兩輸出端構成外回路,就會產生霍爾電流。一般地說,偏置電流的設定通常由外部的基準電壓源給出;若精度要求高,則基準電壓源均用恒流源取代。為了達到高的靈敏度,有的霍爾元件的傳感面上裝有高導磁系數的坡莫合金;這類傳感器的霍爾電勢較大,但在0.05T左右出現飽和,僅適用在低量限、小量程下使用。
在半導體薄片兩端通以控制電流I,并在薄片的垂直方向施加磁感應強度為B的勻強磁場,則在垂直于電流和磁場的方向上,將產生電勢差為UH的霍爾電壓。
3.工作原理
磁場中有一個霍爾半導體片,恒定電流I從A到B通過該片。在洛侖茲力的作用下,I的電子流在通過霍爾半導體時向一側偏移,使該片在CD方向上產生電位差,這就是所謂的霍爾電壓。
霍爾電壓隨磁場強度的變化而變化,磁場越強,電壓越高,磁場越弱,電壓越低。霍爾電壓值很小,通常只有幾個毫伏,但經集成電路中的放大器放大,就能使該電壓放大到足以輸出較強的信號。若使霍爾集成電路起傳感作用,需要用機械的方法來改變磁場強度。用一個轉動的葉輪作為控制磁通量的開關,當葉輪葉片處于磁鐵和霍爾集成電路之間的氣隙中時,磁場偏離集成片,霍爾電壓消失。這樣,霍爾集成電路的輸出電壓的變化,就能表示出葉輪驅動軸的某一位置,利用這一工作原理,可將霍爾集成電路片用作用點火正時傳感器。霍爾效應傳感器屬于被動型傳感器,它要有外加電源才能工作,這一特點使它能檢測轉速低的運轉情況。

霍爾傳感器
以上就是霍爾傳感器的工作原理介紹了。目前霍爾傳感器被廣泛應用到工業、汽車業、電腦、手機以及新興消費電子領域。與此同時,其的相關技術仍在不斷完善中,可編程霍爾傳感器、智能化霍爾傳感器以及微型霍爾傳感器將有更好的市場前景。
電話:18923864027(同微信)
QQ:709211280
〈烜芯微/XXW〉專業制造二極管,三極管,MOS管,橋堆等,20年,工廠直銷省20%,上萬家電路電器生產企業選用,專業的工程師幫您穩定好每一批產品,如果您有遇到什么需要幫助解決的,可以直接聯系下方的聯系號碼或加QQ/微信,由我們的銷售經理給您精準的報價以及產品介紹

