RS3MF快恢復二極管參數,RS3MF二極管規格書,RS3MF參數資料
RS3MF快恢復二極管,RS3MF二極管資料,RS3MF封裝為SMAF與RS3MF二極管的作用
RS3MF快恢復二極管,RS3MF二極管資料,RS3MF封裝為SMAF與RS3MF二極管的作用

RS3MF快恢復二極管參數規格書: 點擊查看
RS3MF二極管,SMAF封裝參數如下:
Maximum repetitive peak reverse voltage VRRM 最大重復峰值反向電壓:1000V
Maximum DC blocking voltage VDC 最大直流閉鎖電壓:1000V
Maximum average forward rectified current I(AV) 最大正向平均整流電流:3A
Maximum instantaneous forward voltage at 3A VF 3A時的最大瞬時正向電壓:1.3V
Maximum DC reverse current at rated DC blocking voltage TA=25℃ IR 額定直流阻斷電壓下的最大直流反向電流:5.0uA
Maximum DC reverse current at rated DC blocking voltage TA=125℃ IR 額定直流阻斷電壓下的最大直流反向電流:200uA
Operating junction and storage temperature range TJ,TSTG 工作溫度和存儲溫度范圍:-55to +150℃
Maximum reverse recovery time 恢復時間:500ns
RS3MF超快恢復二極管,SMAF封裝尺寸:

RS3MF超快恢復二極管,SMAF封裝尺寸:

RS3MF超快恢復二極管,SMA封裝尺寸:

RS3MF超快恢復二極管,SMBF封裝尺寸:
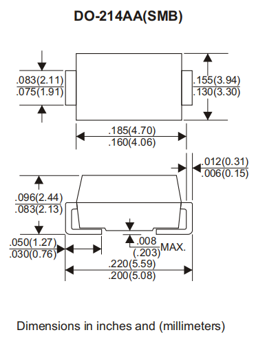
RS3MF超快恢復二極管,SMB封裝尺寸:
〈烜芯微/XXW〉專業制造二極管,三極管,MOS管,橋堆等,20年,工廠直銷省20%,上萬家電路電器生產企業選用,專業的工程師幫您穩定好每一批產品,如果您有遇到什么需要幫助解決的,可以直接聯系下方的聯系號碼或加QQ/微信,由我們的銷售經理給您精準的報價以及產品介紹
聯系號碼:18923864027(同微信)
QQ:709211280


