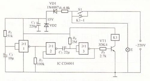
照明定時器電路如圖所示。電路中由或非門2、3、C3和R4構成單穩態電路,R1、VD1和C1構成直流電源供電電路,或非門1、R2和C2構成觸發脈沖形成電路,半導體三極管VT1、R5及繼電器K1構成驅動電路。
當按下按鈕開關S1后,市電經R1、VD1向C1充電,充電時間常數為0.03s。C1充電后的電壓經穩壓后向電路提供+15V的直流電壓。由于觸發脈沖形成的時間常數為0,51s,遠大于C1的充電時間,所以C2一開始來不及充電,或非門1輸入端為“0”,輸出端為“1”。隨著C2被充夠0.4s的電后,或非門1輸人端變為“1”,其輸出端變為“0”,這樣就形成了開機的觸發脈沖。此開機觸發正脈沖輸人給或非門2,使其輸出端為“0”。這時,由于C3尚未充電,信號會很快傳給或非門3的輸入端,或非門3的輸出端為“1”,此高電平一方面作為激勵電壓去驅動VT1,另一方面反饋到或非門2的另一輸人端,使其保持“0”輸出。這樣,當觸發脈沖消失后,或非門2的輸出仍為“0”。當驅動導通后,繼電器K1吸合,其觸點K1-1閉合,使開關Sl自保,照明燈E在S1松開時仍被點亮。
隨著直流電壓通過R4對C3的充電,使或非門3的輸人端電壓不斷升高,當達到邏輯電平“1”時,或非門3的輸出端就會從“1”變為“0”,使VT1截止,繼電器K1失電釋放,其觸點K1-1斷開,使整個電路斷電,照明燈E熄滅。從照明燈E點亮到熄滅的延遲時間由單穩態電路中的C3及R4確定,按電路給定的參數,該時間為4min。

烜芯微專業制造二極管,三極管,MOS管,橋堆等20年,工廠直銷省20%,上萬家電路電器生產企業選用,專業的工程師幫您穩定好每一批產品,如果您有遇到什么需要幫助解決的,可以點擊右邊的工程師,或者點擊銷售經理給您精準的報價以及產品介紹

烜芯微專業制造二極管,三極管,MOS管,橋堆等20年,工廠直銷省20%,上萬家電路電器生產企業選用,專業的工程師幫您穩定好每一批產品,如果您有遇到什么需要幫助解決的,可以點擊右邊的工程師,或者點擊銷售經理給您精準的報價以及產品介紹

