MOSFET 功率開關是開關模式電源轉換器里最重要的元件,如果它被集成進 IC 里,這種器件便可以被稱作轉換器;如果它被外置,能夠驅動它的器件便可以被稱作控制器,這樣的定義并無什么標準可言,但我自己基本上就是這樣理解的。無論 MOSFET 功率開關處于集成狀態或外置狀態,它們的根本性質并不會發生變化,所以并不需要對它們進行區別對待,而驅動它們的原理當然也是完全一樣的。
要想驅動 MOSFET,首先需要對 MOSFET 的元件特性有個基本的了解。













通過這些內容的學習可以知道控制 MOSFET 的柵-源電壓 VGS 便可以控制其工作狀態,所以認為 MOSFET 是電壓控制型器件是很合理的,但這種理解又太過于簡單,很容易讓我們認為控制 MOSFET 是一件很簡單的事,不需要考慮太多的問題,因為在已經有電壓源的情況下要形成一個電壓是太容易了,最簡單的電阻分壓電路便可實現,需要計算的只是兩只電阻的比例,但要真的做起來就會遇到實際的問題:符合相應比例的電阻值有很多,到底應該如何取值呢?

用三維的視角觀察 MOSFET 的物理結構,可以看到它的各個電極都是板狀結構,所以它的各個電極之間便存在一定的電容。由于有電容的存在,設計用來驅動 MOSFET 的電路又含有電阻,RC 電路的時間特性便會在驅動 MOSFET 的過程中發生影響,使得實際的電路不可能簡單地按照我們的設想發生相應的變化。
如果進一步觀察 MOSFET 上存在的這些電容,還能發現它們會隨著 MOSFET 工作狀態的不同而發生變化,因為 MOSFET 各電極及其相互之間的空間狀態在不同的工作狀態下是不一樣的,它們之間的電容也就會隨著空間狀態的不同而發生變化。以柵極與源極之間的電容 CGS(上圖中的 C1)為例,當漏極和源極之間的溝道還沒有形成時,CGS 是比較小的,而隨著溝道的形成,柵極的結構發生了變化,柵極和源極間相互耦合的面積會變得越來越大,相應地就增大了 CGS 的大小,直到溝道完全形成以后才會穩定下來,這便是下圖中 CGS 的大小會在 Off 區和 Saturation 區有很大區別的原因。使用同樣的方法進行分析,我們便能理解下圖中表達各個電容量的曲線是如何形成的了。


我們常見的 MOSFET 等效圖會把各個電極之間的電容畫出來,但其隨著工作狀態而發生變化的部分卻很難表達,只能依靠我們在思考時再進行動態的模擬才能將其進一步細化。


在以開關模式工作的 DC/DC 轉換器中,MOSFET 的工作狀態主要就兩種,即截止狀態和導通狀態,間隔在兩者之間的可變電阻狀態只是在兩個極端狀態相互轉換的過程中才會出現。可變電阻狀態下的 MOSFET 因為既有電流流過、又存在電阻而會形成較大的損耗,所以需要盡力縮短跨過可變電阻區的時間,這就可以推導出驅使 MOSFET 實現狀態轉換的驅動電路的特性來:適當高的輸出電壓擺幅,其高電平要能讓 MOSFET 充分導通,其低電平要能讓 MOSFET 充分截止;能輸出和吸納比較大的電流,使 MOSFET 輸入電容能得到快速的充電和放電,實現 MOSFET 快速截止和導通的目的。同時我們也需要知道,驅動器的輸出電壓不能太高,給負載充放電速度也不能太快,因為用太高的輸出電壓驅動 MOSFET 就需要較多的電荷去充滿電容,需要的電流就會比較大,或者是需要更長的時間,放電的過程也相應需要更多的時間或更大的電流,造成的功率消耗也會比較大;讓開關以過快的速度進行狀態轉換又會帶來比較嚴重的 EMI 問題,這樣便要求驅動電路的能力不能太強。實際使用的驅動器的能力既要很強,又不能太強,導致最后出來的產品都是根據實際的需要折中處理后的結果。


RT9624C 是與 Buck 控制器配合使用的 MOSFET 驅動器,來自前級控制器的 PWM 信號經其轉換后便成為驅動上、下橋 MOSFET 的同步信號,輕輕松松地便實現了從小信號到大信號的轉換,用它實現大電流輸出是一件很容易的事情。RT9624C 常被使用于個人計算機的主板和顯卡等場合,與其配合工作的主電源通??梢蕴峁?12V、5V 和 3.3V 等輸出,被其驅動的 MOSFET 大多具有非常低的 RDS(ON) 和大約 20V~40V 的電壓承受能力,其工作電壓范圍被定義為 4.5V~13.2V(VCC 電壓),轉換器的輸入電壓范圍則是 5V~24V(VIN),可滿足電池供電的筆記本電腦及其他大電流應用的需要。
RT9624C 驅動外接 MOSFET 的電壓是隨著工作電壓的不同而不同的,如使用 12V 供電則輸出高電壓便是 12V,如使用 5V 供電則輸出高電壓便是 5V。很顯然,驅動電壓越高則相應的切換損耗便越大,同時其外接 MOSFET 的導通損耗也越小,反之亦然。所以,不同的應用可根據自己的具體狀況選擇不同的工作電壓。
RT9624C 規格書的應用說明部分給出了驅動電路工作過程的參數計算方法,下面我把它翻譯出來供讀者參考:
MOSFET 功率開關的直流輸入阻抗非常高,當 Vgs1 或 Vgs2 為 12V 或 5V 時,其柵極吸取的電流僅有 nA 級別,因此,已經被驅動到處于“開”的狀態的 MOSFET 的柵極電流可以被完全忽略。然而,柵極與源極之間的電容是必須被考慮到的,它在將柵極電壓快速提升到 12V 或 5V 的過程中會吸取很大的電流,這是以需要的速度實現漏極電流的接通時必須要做的事情。下面對柵極驅動電流進行計算。


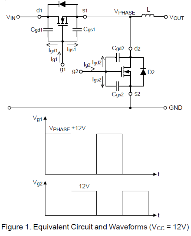
在圖1中,Ig1 和 Ig2 是將柵極電壓從 0V 提升到 12V 需要的電流,其中包含了充入 Cgd1、Cgd2、Cgs1 和 Cgs2 的電流。Cgs1 和 Cgs2 分別是上下橋 MOSFET 的柵極和源極間的電容,一般的規格書將 Cgs1 和 Cgs2 稱為 Ciss 即輸入電容;Cgd1 和 Cgd2 分別是上下橋 MOSFET 的柵極和漏極之間的電容,一般的規格書將其稱為 Crss 即反向傳輸電容。假如 tr1 和 tr2 分別是上下橋 MOSFET 的上升時間,實現此上升過程需要的電流 Igs1 和 Igs2 可分別計算如下:


在將上橋 MOSFET 的柵極電壓驅動到 12V 以前,下橋 MOSFET 必須處于關斷狀態,而上橋也必須在下橋導通以前先行關斷。在圖 1 中,體二極管 D2 會在上橋 MOSFET 導通以前處于導通狀態。


在開通下橋 MOSFET 以前,Cgd2 已經被充電到其電壓等于 VIN,所以開通它的過程需要對 Cgd2 進行反向充電至其電壓等于 12V,相應需要的電流為:


如果用一個實際的案例來進行這些電流的計算應該是很有意義的,下面就假設有一個實際的同步整流 Buck 轉換器,其輸入電壓 VIN=12V,Vgs1=12V,Vgs2=12V;上橋 MOSFET 的型號為 PHB83N03LT,其 Ciss=1660pF,Crss=380pF,上升時間 tr=14ns;下橋 MOSFET 的型號為 PHB95N03LT,其 Ciss=2200pF,Crss=500pF,tr=30ns。利用公式(1)和(2)可得:


利用公式(3)和(4)可得:


這樣便可以分別計算出將上下橋開關從截止狀態驅動至導通狀態的柵極電流需求:


使用類似的方法,我們可以計算出將上下橋開關從導通狀態切換至截止狀態時需要從柵極吸出的電流的大小。
有了這樣通過理論分析得到的計算公式和通過實際案例得到的計算數據,我們便能比較容易地理解 MOSFET 驅動器的器件指標,下面便是 RT9624C 的規格書里列出來的輸出級參數


其中列出的是每個輸出端分別在電流吐、納狀態下的阻抗數據,我們可以把它們分別看成是串聯在電源端、地端和輸出端之間的可控電阻,而其實際的構成則應該是可控的 MOSFET 器件,我們只能通過某種測量方式來對其參數進行衡量,而進行這種測量的參數已經在表格中最寬的那一欄里列了出來。
如果你看到的能夠驅動外接 MOSFET 的器件足夠多,你可能能看到更多的驅動器參數表達方式,像下表所示的便是另一款器件里的表達方式:


不同的表達方式便有不同的參數,它們雖然顯得很不一樣,但總是離不開那些最基本的原理的限制,只要有心便可以對它們有一個基本的理解,從而滿足自己的好奇心的需求。
烜芯微專業制造二極管,三極管,MOS管,橋堆等20年,工廠直銷省20%,4000家電路電器生產企業選用,專業的工程師幫您穩定好每一批產品,如果您有遇到什么需要幫助解決的,可以點擊右邊的工程師,或者點擊銷售經理給您精準的報價以及產品介紹
烜芯微專業制造二極管,三極管,MOS管,橋堆等20年,工廠直銷省20%,4000家電路電器生產企業選用,專業的工程師幫您穩定好每一批產品,如果您有遇到什么需要幫助解決的,可以點擊右邊的工程師,或者點擊銷售經理給您精準的報價以及產品介紹

