計時器,是利用特定的原理來測量時間的裝置。計時器的種類包括電磁打點計時器、電火花計時器、堅持計時器、停車計時器、反應計時器、放大計時器以及windows計時器等等。電磁打點計時器和電火花打點計時器最為常見。
電磁打點計時器是一種使用交流電源的計時儀器,其工作電壓是4-6V,電源的頻率是50Hz,它每隔0.02s打一次點。電火花計時器是利用火花放電在紙帶上打出小孔而顯示出點跡的計時儀器,使用220V交流電壓,當頻率為50Hz時,它每隔0.02s打一次點,電火花計時器工作時,指導運動所受到的阻力比較小,試驗誤差比電磁打點計時器的要小。
工作原理
對CLK信號進行“減1計數”。首先CPU把“控制字”,寫入“控制寄存器”,把“計數初始值”寫入“初值寄存器”,然后, 定時/計數器按控制字要求計數。計數從“計數初始值 開始,每當CLK信號出現一次,計數值減1,當計數值減為0時,從OUT端輸出規定的信號(具體形式與工作模式有關)。當CLK信號出現時,計數值是否減1(即是否計數),受到“門控信號”GATE的影響,一般,僅當GATE有效時,才減1.門控信號GATE如何影響計數操作,以及輸出端OUT在各種情況下輸出的信號形式與定時/計數器的工作模式有關。這里,應該指出如此三點。
803l單片機有2個16位的定時器/計數器:定時器0(T0)和定時器1(T1)。
T0由2個定時寄存器TH0和TL0構成,T1則由TH1和TL1構成,它們都分別映射在特殊功能寄存器中,從而可以通過對特殊功能寄存器中這些寄存器的讀寫來實現對這兩個定時器的操作。作定時器時,每一個機器周期定時寄存器自動加l,所以定時器也可看作是計量機器周期的計數器。由于每個機器周期為12個時鐘振蕩周期,所以定時的分辨率是時鐘振蕩頻率的1/12。作計數器時,只要在單片機外部引腳T0(或T1)有從1到0電平的負跳變,計數器就自動加1。計數的最高頻率一般為振蕩頻率的l/24。


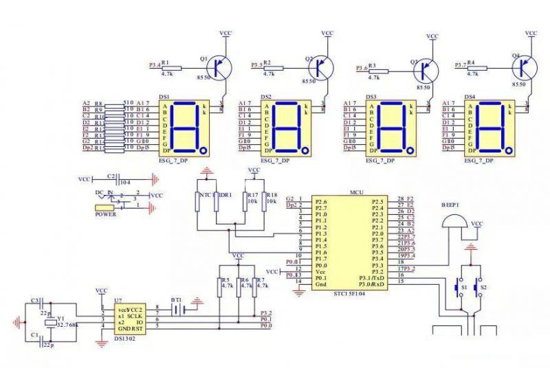
主控MCU
芯片: STC15F204EA-DIP28
性能: 5V 1T單片機,比傳統單片機塊6 12倍,工作頻率5 35MHZ ; 4K程序存儲flash,SRAM 256字節,1KEEPROM ; 2個定時器,8路10位ADC轉器;內部看i ]狗,高精度內部RC時鐘; 26個通用IO口,可工作在4種模式。
時鐘芯片
時鐘芯片為DS1302 ,外接32.768KHZ晶振,匹配有22Pf電容,走時精準,穩定;帶有備用電池,掉電保持時間準確。
1寸超大數碼管顯示
顯示器采用1寸超大高亮數碼管顯示,可視距離大于10米。驅動方式采用簡單實用的85503極管共陽驅動。數碼管段選接單片機P2口,位選分別接P3.4 P3.7口.采用光敏電阻采集環境光照度來做亮度調節,可實現無極調光。
輸入設備
由于板子大小的關系(大小決定了花錢的多少), 輸入按鍵只設計了2個,一個為功能鍵,一個為加1鍵。 按鍵接口和程序下載接口共用P3.0和P3.1引腳。
溫度采集及發聲元件
本電路板上還有一個熱敏電阻,可以通過單片機的ADC模塊讀取熱敏電阻的阻值,最后換算為當前的溫度,實現溫度計的功能。最后還加上一個蜂嗚器 ,可做整點報時,鬧鈴響鈴,還可做按鍵提示音等作用。
烜芯微專業制造二極管,三極管,MOS管,橋堆等20年,工廠直銷省20%,4000家電路電器生產企業選用,專業的工程師幫您穩定好每一批產品,如果您有遇到什么需要幫助解決的,可以點擊右邊的工程師,或者點擊銷售經理給您精準的報價以及產品介紹
烜芯微專業制造二極管,三極管,MOS管,橋堆等20年,工廠直銷省20%,4000家電路電器生產企業選用,專業的工程師幫您穩定好每一批產品,如果您有遇到什么需要幫助解決的,可以點擊右邊的工程師,或者點擊銷售經理給您精準的報價以及產品介紹

