工欲善其事必先利其器,TVS選型之前,首選對TVS的參數要有個詳細地了解。
TVS參數詳解
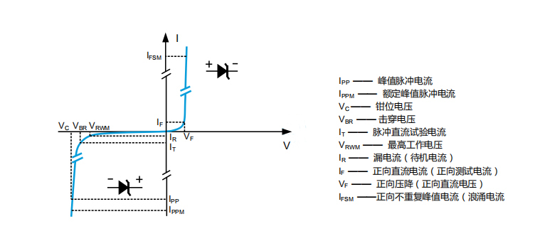
• VRWM :截止電壓, TVS的最高工作電壓,可連續施加而不引起TVS劣化或損壞狀態下,達到的最大的直流電壓或交流峰值電壓。 在VRWM下,TVS是不工作的,不導通。
• VC:鉗位電壓,施加規定波形的峰值脈沖電流IPP時,TVS兩端測得的峰值電壓。
• VBR:擊穿電壓,是TVS管的最小雪崩電壓。指在V-I特性曲線上,在規定的脈沖直流電流IT或接近發生雪崩的電流條件下測得TVS兩端的電壓。
• IR:漏電流,亦稱待機電流。在規定溫度和最高工作電壓條件下,流過TVS的最大電流,其值是在截止電壓下測量的。
• IPP: 峰值脈沖電流,一般在10/1000μs電流波形下的峰值。
• IT:測試電流。
• C:電容值,對于同功率等級的TVS而言,電壓越低電容值就越大。在通信線路的防護中,尤其要注意TVS的電容值。
• 封裝形式:從TVS的封裝形式,可以看出其功率大小。TVS的芯片面積直接決定其功率等級。


TVS選型
1)要確定被保護電路中的最大直流或連續工作電壓,電路的額定標準電壓和“高端”容限;
2)TVS的額定瞬態功率要大于電路中可能出現的最大瞬態浪涌功率;
3)TVS的截止電壓要大于被保護電路的最高工作電壓;
4)TVS的最大鉗位電壓要小于后級被保護電路中的損壞電壓;
5)確定好TVS最大箝位電壓后,其峰值脈沖電流要大于瞬態浪涌電流;
6)對于數據接口的電路保護,還需注意選取具有合適電容的TVS。比如:當信號頻率或傳輸速率較高時,應選用低電容系列的TVS;


TVS選型事項
1)規格書手冊給的只是特定脈寬下的吸收功率峰值,而實際電路中的脈沖寬度是變化不定,心里要有個數,對寬脈沖要降額應用;
2)對于小電流負載電路的保護,要有意識地增加限流電阻;
3)要注意TVS二極管的穩態平均功率是否在安全范圍之中;
4)要考慮溫度變化,正常而言,瞬態抑制二極管在-55°C到150°C之間工作,電路中溫度比較高的情況下要降額應用;
5)TVS瞬態抑制二極管的引線長短,要與被保護線路相對。
6)針對數據接口或通信線路中的防護,要盡可能選取電容值比較小的TVS二極管。
7)直流保護電路大多選單向TVS管,交流保護電路大多選雙向TVS管、多路保護電路選TVS陣列器件,大功率保護電路選專用保護模塊。
8)在使用TVS管過程中,考慮到TVS的離散性,盡量減少串/并數量。
烜芯微專業制造二極管,三極管,MOS管,橋堆等20年,工廠直銷省20%,4000家電路電器生產企業選用,專業的工程師幫您穩定好每一批產品,如果您有遇到什么需要幫助解決的,可以點擊右邊的工程師,或者點擊銷售經理給您精準的報價以及產品介紹
烜芯微專業制造二極管,三極管,MOS管,橋堆等20年,工廠直銷省20%,4000家電路電器生產企業選用,專業的工程師幫您穩定好每一批產品,如果您有遇到什么需要幫助解決的,可以點擊右邊的工程師,或者點擊銷售經理給您精準的報價以及產品介紹

