本文主要講MOS管驅動電阻器及MOS管柵極尖峰電壓的防護分析。與常規雙極晶體管不同,MOS管是電壓控制型器件,一般用于小電壓控制大電流的情況,包括開關電源、馬達控制、繼電器控制、LED照明等。應用中,MOS管相當于一個開關,漏極和源極之間還有一個寄生二極管,也稱作體二極管。所以,MOS管的驅動比較復雜。
MOS管損耗
MOS管的導通相當于開關閉合。不管是NMOS還是PMOS,導通后都有導通電阻存在,電流通過時就會消耗一定的能量——導通損耗。在器件選型時,我們都會選擇導通電阻小的MOS管。目前,小功率MOS管導通電阻一般在幾十毫歐左右,有的只有幾毫歐。

MOS管及導通電阻與VGS和溫度的關系
就開關速度而言,MOS的導通和截止一定不是瞬間完成的。MOS兩端的電壓有一個下降的過程,流過的電流有一個上升的過程,在這段時間內,MOS管的損耗是電壓和電流的乘積,叫做開關損耗。
通常,開關損耗比導通損耗大得多,而且開關頻率越快,損耗也越大。因為,導通瞬間電壓和電流的乘積很大,造成的損耗也就很大。
應用中,可以通過縮短開關時間、降低開關頻率兩種方法來減小開關損耗。其中,縮短開關時間可以減小每次導通時的損失,降低開關頻率可以減小單位時間內的開關次數。
選擇最佳的柵極電壓VGS
由于MOS管的GS、GD之間存在寄生電容,驅動MOS管實際上就是對這些電容進行充放電。同時,MOS管柵極電阻器也很重要。應選擇適當的電阻值,因為它會影響開關速度,進而影響MOS管的開關損耗。
VGS對于MOS管柵極驅動非常重要。MOS管在線性區(即電壓低于夾斷電壓)中運行時,其導通電阻較低。因此對于開關應用,可以在低VDS區中使用MOS管來降低導通電阻。
當MOS管的柵極電壓VGS超過其閾值電壓Vth時,MOS管開通。因此,VGS必須明顯高于Vth。而且,VGS越高,RDS(ON)值就越低;溫度越高,RDS(ON)值也就越高。為了減少損耗,必須增大VGS從而最大限度減小器件在當前使用的電流水平下的電阻,從而降低穩態損耗。
相反,高VGS值會增大高頻開關情況下驅動損耗對總損耗的比率。因此必須選擇最佳的MOS管和柵極驅動電壓,常用MOS管的導通電壓Vth為4V或10V。
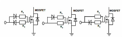
柵極電阻器的選擇
一般來說,MOS管的柵極端子上連接一個電阻器。該柵極電阻器的用途包括抑制尖峰電流并減少輸出振鈴。較大的柵極電阻器會降低MOS管的開關速度,從而導致功率損耗增大,性能降低以及出現潛在的發熱問題。

MOS管柵電阻器的選擇
相反,較小的柵極電阻器會提高MOS管的開關速度,易引發電壓尖峰和振蕩,從而造成器件故障和損壞。
因此,必須選擇最佳的柵極電阻器,或通過調節柵極電阻器值來優化MOS管開關速度,有時會使用不同的柵極電阻器來開通和關斷MOS管。
尖峰電壓的防護
在MOS管的柵極和源極之間外接一個齊納二極管,可以有效防止發生靜電放電和柵極尖峰電壓。但要注意,齊納二極管的電容可能有輕微的不良影響。

MOS管柵極尖峰電壓的防護
柵極故障的預防
MOS管的一大問題在于其漏柵電容會導致出現寄生開通(自開通)現象。關斷后,MOS管的源極和漏極之間形成陡峭的dv/dt。產生的電流經由漏柵電容流到柵極,導致柵極電阻器中發生的電壓降提高柵極電壓。
如果dv/dt的斜率極為陡峭,則根據柵源電容與柵漏電容的比率為MOS管的柵極施加電壓。如果出現這種情況,可能會發生自開通。如果在二極管反向恢復期間對處于關斷狀態的MOS管施加快速變化的電壓,也可能發生自開通。

用于防止MOS管自開通現象的米勒箝位電路
要防止自開通現象,通常有三種方法:一是在柵極和源極之間添加一個電容器,二是將關斷柵極電壓驅動到負值,避免其超過Vth。第三種方法是采用米勒箝位電路的開關器件,使MOS管的柵極與源極之間的通路發生短路,通過在相關MOS管的柵極和源極之間添加另一個MOS管來實現短路。
雖然驅動電路較雙極性晶體管復雜,MOS管獨特的開關特性是任何器件都無法替代的,人們還一直在把MOS管從開關電源、馬達驅動、照明調光向汽車電子、新能源電力等應用推廣。面對新的應用,設計時當然需要有一定的余量,并綜合考量MOS管的內部結構和應用環境和發展潛力。
烜芯微專業制造二極管,三極管,MOS管,橋堆等20年,工廠直銷省20%,1500家電路電器生產企業選用,專業的工程師幫您穩定好每一批產品,如果您有遇到什么需要幫助解決的,可以點擊右邊的工程師,或者點擊銷售經理給您精準的報價以及產品介紹
烜芯微專業制造二極管,三極管,MOS管,橋堆等20年,工廠直銷省20%,1500家電路電器生產企業選用,專業的工程師幫您穩定好每一批產品,如果您有遇到什么需要幫助解決的,可以點擊右邊的工程師,或者點擊銷售經理給您精準的報價以及產品介紹

